Mikroskop

Mikroskop, çıplak gözle görülemeyecek kadar küçük cisimleri görmeye ve incelemeye yarayan bir aygıttır. Basit büyüteçler bazen "basit mikroskop" olarak tanımlanır; ama mikroskop deyimini, daha büyük, daha karmaşık ve çok daha etkili bir alet olan "bileşik mikroskop" için kullanmak daha doğrudur.
Sponsorlu Bağlantılar
Mikroskopun pirinç tüpünün alt ucunda, objektif denen bir mercek grubu yer alır. Objektif, cisimden gelen ışık ışınlarını, tüpün ortalarında bir yerde toplar, yani burada odaklar ve böylece cismin epeyce büyütülmüş bir görüntüsünü oluşturur. Tüpün tepesinde, göz merceği denen ve cismin görüntüsünü daha da büyütmeye yarayan ikinci bir mercek grubu vardır. Objektifin altında, cismin yerleştirileceği bir tabla bulunur. Mikroskopa takılı objektif sayısı birden fazla olabilir ve istenen büyütme gücüne bağlı olarak bunlardan herhangi biri kaydırılarak tüpün altına getirilebilir. Ayrıca, değişik türden göz mercekleri de kullanılabilir.
Mikroskop tüpü, bir dişli düzeneğinin yardımıyla aşağı ya da yukarı doğru hareket ettirilerek, cismin tam odaklanması sağlanabilir. Biri kaba, öteki ince ayar olmak üzere iki odak ayarıyla, cismin net görüntüsü elde edilir. İncelenecek cisim, mikroskop tablasına tutturulmuş, lam denen ince bir cam levha üzerine konur. Hayvan ya da bitki örnekleri, çok ince dilimler halinde kesilir ve ayrıntıların daha belirgin bir biçimde görülebilmesi için boyanır; ardından da saydam bir zamk içine yerleştirilir ve üstüne lamel denen çok ince bir cam levha örtülür. Alttan gelerek örnekten geçen bir ışığın yardımıyla örneğin görüntüsü oluşturulur. İlk mikroskoplarda aynayla yansıtılan güneş ışığından yararlanılırdı; günümüzde ise daha çok yapay ışık kaynaklarından üretilen ışık kullanılır. Kaynaktan gelen ışık, tablanın altında bulunan bir mercek grubuyla yoğunlaştırılır. Işığın şiddeti, ışık kaynağı ile örnek arasında yer alan ve fotoğraf makinesindekine benzeyen bir diyaframla ayarlanır (parlak ışık her zaman en iyi görüntüyü vermez).
Mikroskopun büyütme gücü, genellikle bir sayı ve bu sayıyı izleyen bir çarpı işaretiyle verilir. "100x" büyütme gücündeki bir mikroskop, 1 mm kalınlığındaki bir iğneyi 100 mm kalınlığında gibi gösterir. Mikroskopun büyütme gücü, göz merceğinin büyütme gücü ile objektifin büyütme gücüne bağlıdır ve bu ikisinin birbiriyle çarpılmasıyla hesaplanır. Göz mercekleri genellikle, 5x ile 20 x arasında; objektifler İse4xile40x arasında değişen büyütme güçlerine sahiptir. Bu merceklerle donatılmış bir mikroskop da, en az (5x4)=20x ve en çok (20 x 40)=800 x büyütme gücü sağlar.
800 x büyütmeli bir mikroskopta bir kan alyuvarı 5 mm çapında gözükür; benzer biçimde, pek çok mikroorganizma çubuk ya da nokta halinde görülebilir. Deri, kas, sinir ve kemik gibi hayvan yapıları ile sap ve yaprak gibi bitki yapılarındaki hücre düzeni de net biçimde görülebilir; ama büyütmenin sınırsız olarak artırılması, sanıldığının tersine görüntüyü giderek iyileştirmez. Çünkü, görüntünün niteliği mikroskopun yalnızca büyütme gücüne değil, aynı zamanda ayırma gücüne de bağlıdır. Ayırma gücü, bir mikroskopun çok küçük ya da birbirine çok yakın cisimlerin görüntülerini ayırabilme ya da birbirlerinden ayrı halde oluşturabilme yeteneğidir; bu yetenek ışığın dalga boyu özelliğiyle sınırlıdır. Çapı, görünür ışığın dalga boyu aralığının altında olan cisimler, ayrı görüntü vermez. Bu nedenle, aydınlatma kaynağı olarak ışık kulanılan bir mikroskopta, kullanılabilir en büyük büyütme gücü 1.500x olur.
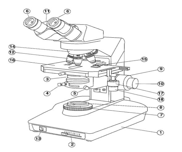
Mikroskop Kısımları

1. Alt kaide.
2. Aydınlatma kontrol kadranı. Işık yoğunluğunun kontrol edilmesini sağlar.
3. Kondansör. Mercek sistemidir, ışık kaynağından veya aynadan gelen ışınları örnek üzerinde toplar, örneğin aydınlatılmasını sağlar. Kondansör, çözünürlüğü, kontrastı, odak derinliğini ve aydınlığı etkiler.
4. Diyafram kontrol halkası. Örneğe gelen ışın huzmesinin çapını kontrol etmemize, dolayısıyla dağılan ışığı kontrol etmemizi sağlar.
5. Kondansör hizalama vidası.
6. Göz merceği (oküler)
7. Alan diyaframı kontrol halkası. Aydınlanma alanını/menzilini sınırlar.
8. Aydınlanma kaynağı
9. Kaba ayar düğmesi (makrovida)
10. İnce ayar düğmesi (mikrovida)
11. Göz mesafesi ayarlama konsolu
12. Objektif lensleri. Objektif lensin kuvveti, mikroskobun çözünürlüğünü belirler.
13. Güç düğmesi. Işık kaynağını açıp kapamamızı sağlar.
14. Hareketli revolver
15. Sıkıştırma klipsleri
16. Nesne tablası
17. Y-aksisi kontrol düğmesi. Preparatı yukarı ve aşağı hareket ettirmemizi sağlar.
18. X-aksisi kontrol düğmesi. Preparatı sağa ve sola hareket ettirmemizi sağlar.
Aydınlatma Çeşitleri: Halojen lamba (quartz ışığı), ışık yoğunluğu fazladır ve renk sıcaklığı fazladır, dolayısıyla, halojen lamba beyaz ışık verir. Halojen lambalar mikroskoplarda sıklıkla kullanılır ve en iyi aydınlatma kaynaklarından biridir. Tungsten lamba (akkor ışık), renk sıcaklığı düşüktür ve ışık sarımtırak renktedir.
Objektif lensleri: Her objektif lensi, sahip olduğu N.A numarasına göre, çeşidine göre ve büyütme kuvvetine göre işaretlenmiştir.
Örneklerin ölçümü: Mikroskop altında incelenen örneklerin büyüklüklerini, tahminsel ölçebilmemiz için geliştirilmiş çeşitli mekanik yardımcılar vardır. Bu işlemler için kalibre edilmiş lamlar kullanılmaktadır (hemositometre). Petroff Hausse haznesi her ne kadar sayım işlemi için kullanılsa da, bu haznenin içerdiği karelere bölünmüş alan, boyut tahmini için kullanılmaktadır. Göz merceğinin içine yerleştirilen, oküler mikro metreler, kendi içinde barındırdığı büyüklükleri bilinen çembersel şekiller ile de boyut tahmini yapılmasına olanak sağlar.
Elektron Mikroskopu
Ayırma sorununun üstesinden elektron mikroskoplarıyla gelinmiştir. Elektron mikroskopu, aydınlatma kaynağı olarak ışık yerine elektron demetinden yararlanan bir mikroskop türüdür. Elektron demeti, havası alınmış bir tüpe yerleştirilmiş bir metal filamanın (ince tel) çok yüksek bir gerilim (genellikle 30 bin volt) uygulanarak ısıtılmasıyla üretilir. Son derece ince hazırlanan örnekten geçirilen elektron demeti, elektromıknatısların yardımıyla odaklanır. Elektron demetine doğrudan gözle bakmak olanaksızdır; bu yüzden elektronlar flüorışıl (flüoresan) bir ekran ya da fotoğraf filmi üzerine düşürülerek bir görüntü oluşturulur. Geçişli elektron mikroskopu olarak tanımlanan bu tür bir mikroskopla, 250.000x dolayında büyütülmüş görüntüler elde edilebilir. Tarayıcı elektron mikroskopu denen ikinci bir elektron mikroskopu türünde ise, elektron demeti incelenecek cismin yüzeyinden yansıtılarak toplanır. Toplanan elektronlarla da televizyon ekranı üzerinde görüntü oluşturulur; bu aygıt biyoloji, jeoloji ve metalürjide, böceklerin gözleri, kayaç örnekleri ve çelik çubuklar gibi çok değişik yapdarın yüzey ayrıntılarını incelemekte yaygın olarak kullanılır. Günümüzde, hidrojen atomlarının ayrı görüntülerini oluşturabilecek elektron mikroskopları da yapılabilmektedir.
MsXLabs.org & Temel Britannica
Son düzenleyen Safi; 15 Haziran 2016 07:20
Tanrı varsa eğer, ruhumu kutsasın... Ruhum varsa eğer!

Önemli İcatlar - Mikroskop










































